We are closed January 1st and 2nd for the holidays. We will continue operations on Monday, Jan 5th.

Questions Call: (800) 723-5460 or email help@bheliftparts.com

GET FREE SHIPPING

on orders $1500+

1001153360 Swing Drive and Turntable Bearing Install | BHE Lift Parts

1001153360 Swing Drive and Turntable Bearing Install | BHE Lift Parts - BHE Parts Store

Browns Heavy Equipment |

Welcome to our JLG Installation Part Database. Most of the installation items you will find in your JLG parts manuals are sold at the component level. The goal of this database is to provide the components in an easy-to-locate, click-to-purchase format. Whether you are just needing an idea on the cost of the installation item, or you need these items shipped to you right away, we have you covered. 

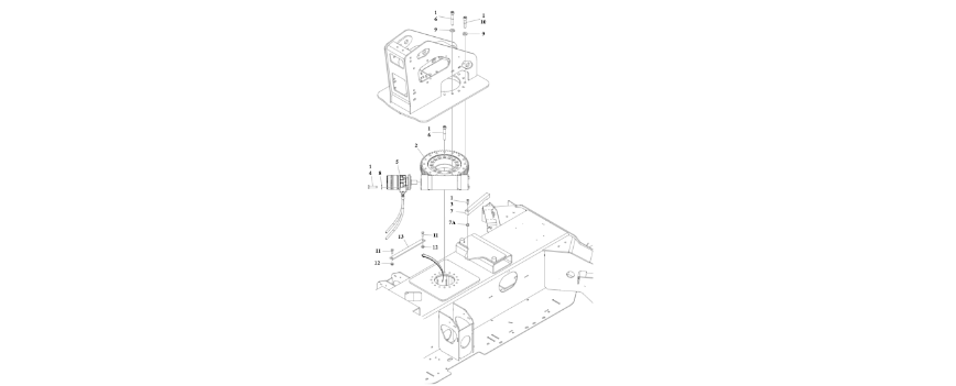
1001153360 Swing Drive and Turntable Bearing Install

Below, you will find the products that make up the 1001153360 Swing Drive and Turntable Bearing Install under "Components". The machines and quantities required for this installation item will be located in the tables below "quantities required".

Components

Quantities Required

Below you will find all of the part numbers and quantities required for the installation item.

Component Item

Component Description

Quantity

U/M

4220255

STP/BLK/PAD,

1

EA

4891900

WASHER,HARDENED (CODED)

16

EA

4740171

WASHER,STL. H 1.062X.531X.125

2

EA

3160331

MOTOR,GEROTOR 8 IN3

1

EA

3311608

NUT HEX,.375-16 SER FLG

2

EA

0681816

SCR CAP HH 8,.500-13X2.000

2

EA

3900360

SCREW-SPEC,M14-2X90 LG SHCS

29

EA

3900368

SCREW-SPEC,14 X 70 SHCS

2

EA

0630183

BOLT,SHOULDER .31-18 X 1.25

1

EA

0641608

SCR CAP HH 5,.375-16X1.000

2

EA

1001153011

BEARING,TURNTABLE WORM

1

EA

4240173

STRAP,HOSE CONTAINMENT

1

EA

Single Level Where Used

Structured Inquiry

Below you will find all of the components that contain this item.

Component Item

Component Description

T350COMVAAC

T350 COMMON PARTS

T350COM1

T350 COMMON PARTS AUS

T350COM

T350 COMMON PARTS