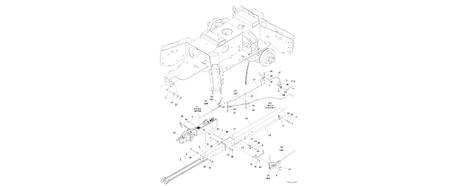
0275908 Axle and Tongue Installation with Hydraulic Brakes (2in ball)
0275908 Axle and Tongue Installation with Hydraulic Brakes (2in ball). JLG Installation Part Database. Find prices on all JLG parts with Brown's Heavy Equipment's lift parts database.
Browns Heavy Equipment |