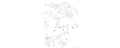
1001243180 Axle and Tongue SRG Installation (2" Collar)
1001243180 Axle and Tongue SRG Installation (2" Collar). JLG Installation Part Database. Find prices on all JLG parts with Brown's Heavy Equipment's lift parts database.
Browns Heavy Equipment |