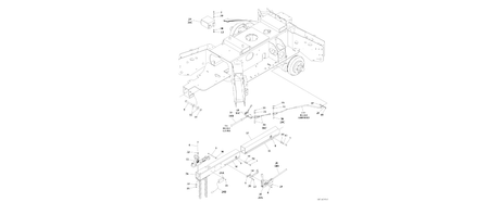
0275907 Axle and Tongue Installation with Hydraulic Brakes (2" Ball)
0275907 Axle and Tongue Installation with Hydraulic Brakes (2" Ball). JLG Installation Part Database. Find prices on all JLG parts with Brown's Heavy Equipment's lift parts database.
Browns Heavy Equipment |